行业知识

电感式接近开关的原理及使用分享

2022-11-28 09:06:23 科威

电感式接近开关的原理及使用分享

电感式接近开关的原理及使用

1.常用接近开关的分类 

霍尔接近开关工作原理:

当一块通有电流的金属或半导体薄片垂直地放在磁场中时,薄片的两端就会产生电位差,这种现象就称为霍尔效应。两端具有的电位差值称为霍尔电势U,其表达式为U=K·I·B/d其中K为霍尔系数,I为薄片中通过的电流,B为外加磁场(洛伦慈力Lorrentz)的磁感应强度,d是薄片的厚度。


由此可见,霍尔效应的灵敏度高低与外加磁场的磁感应强度成正比的关系。霍尔开关就属于这种有源磁电转换器件,它是在霍尔效应原理的基础上,利用集成封装和组装工艺制作而成,它可方便的把磁输入信号转换成实际应用中的电信号,同时又具备工业场合实际应用易操作和可靠性的要求。霍尔开关的输入端是以磁感应强度B来表征的,当B值达到一定的程度(如B1)时,霍尔开关内部的触发器翻转,霍尔开关的输出电平状态也随之翻转。输出端一般采用晶体管输出,和其他传感器类似有NPN、PNP、常开型、常闭型、锁存型(双极性)、双信号输出之分。霍尔开关具有无触电、低功耗、长使用寿命、响应频率高等特点,内部采用环氧树脂封灌成一体化,所以能在各类恶劣环境下可靠的工作。霍尔开关可应用于接近传感器、压力传感器、里程表等,作为一种新型的电器配件。


线性接近传感器的原理:

线性接近传感器是一种属于金属感应的线性器件,接通电源后,在传感器的感应面将产生一个交变磁场,当金属物体接近此感应面时,金属中则产生涡流而吸取了振荡器的能量,使振荡器输出幅度线性衰减,然后根据衰减量的变化来完成无接触检测物体的目的。


该接近传感器具有无滑动触点,工作时不受灰尘等非金属因素的影响,并且低功耗,长寿命,可使用在各种恶劣条件下。线性传感器主要应用在自动化装备生产线对模拟量的智能控制。


电感式接近开关工作原理:

电感式接近开关,电感式接近开关只对金属检测,是利用导电物体在接近这个能产生电磁场接近开关时,使物体内部产生涡流。这个涡流反作用到接近开关,使开关内部电路参数发生变化,由此识别出有无导电物体移近,进而控制开关的通或断。这种接近开关所能检测的物体必须是导电体。

图片关键词

电容式接近开关工作原理:

电容式接近开关的测量通常是构成电容器的一个极板,而另一个极板是开关的外壳。这个外壳在测量过程中通常是接地或与设备的机壳相连接。当有物体移向接近开关时,不论它是否为导体,由于它的接近,总要使电容的介电常数发生变化,从而使电容量发生变化,使得和测量头相连的电路状态也随之发生变化,由此便可控制开关的接通或断开。这种接近开关检测的对象,不限于导体,可以绝缘的液体或粉状物等。他们直观的区别是电容式接近开关是对任何介质都检测,由于气化装置区使用的都为电感式接近开关,所以着重学习电感式接近开关的知识。

图片关键词

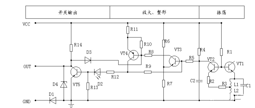
2.电感式接近开关的组成

电感式接近开关由三大部分组成:振荡器、开关电路及放大输出电路。振荡器产生一个交变磁场。当金属目标接近这一磁场,并达到感应距离时,在金属目标内产生涡流,从而导致振荡衰减,以至停振。振荡器振荡及停振的变化被后级放大电路处理并转换成开关信号,触发驱动控制器件,从而达到非接触式之检测目的。

图片关键词

3.电感式接近开关的特点

特性:非接触检测,避免了对传感器自身和目标物的损坏;无触点输出,操作寿命长。即使在有水或油喷溅的苛刻环境中也能稳定检测;反应速度快;小型感测头,安装灵活。


4.气化装置给煤机断链报警使用的接近开关型号说明。

型号为:KWZK-WFG-JK10M218(电感式、长圆柱形、直径为18mm、非埋入式、检测距离10mm、常开型接近开关),两线制接近开关的接线比较简单,接近开关与负载串联后接到电源即可,接近开关的负载可以是信号灯、继电器线圈或可编程控制器PLC的数字量输入模块。还有一种为三线制接近开关的接线:红(棕)线接电源正端;蓝线接电源0V端;黄(黑)线为信号,应接负载。而负载的另一端是这样接的:对于NPN型接近开关,应接到电源正端;对于PNP型接近开关,则应接到电源0V端,需要特别注意接到PLC数字输入模块的三线制接近开关的型式选择。PLC数字量输入模块一般可分为两类:一类的公共输入端为电源0V,电流从输入模块流出(日本模式),此时,一定要选用NPN型接近开关;另一类的公共输入端为电源正端,电流流入输入模块,即阱式输入(欧洲模式),此时,一定要选用PNP型接近开关。


5.给煤机断链报警接近开关的设定距离和检测距离。

开关的动作距离设在70%标准动作距离内,检测距离为从基准位置到测定动作的距离,如KWZK-WFG-JK10M218,设定距离=10mm×0.7=7mm为最佳。


6.维护和检修。

为使接近开关长期稳定工作,和一般控制器一样,需定期检查;检查检测物体和接近开关的安装位置有无偏移、松动、变形;检查配线、连接部位有无松动、接触不良和断线;检查检测面有无附粘金属粉尘等堆积物;检查使用温度、周围环境条件有无异常。









首页
产品
新闻
联系