在我们工厂里,大部分设备都不能只靠一种转速运行,送料、运行、出料、定位这些工序,往往需要不同的速度。如果每次都手动去调变频器频率,不仅麻烦,还容易出错,也不适合自动运行的设备。这个时候,变频器的多段速功能就派上用场了,它可以提前设置好几档固定的转速,只要给一个信号,就能直接切换,操作简单,运行也稳定。
2026-03-13 科威
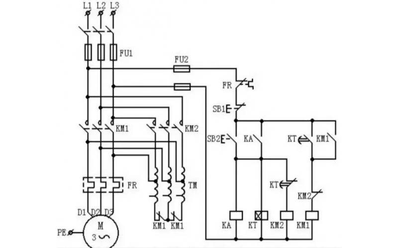
热继电器是一种基于电流热效应工作的保护装置,通过监测电流变化来触发动作,通常用于过载保护。其主要优点包括结构简单、价格低廉,但缺点也很明显:
2025-01-03 科威
调校前准备 ①检查被校仪表外观,铭牌应完整、清楚,并注明型号、规格、位号等,应标记高、低压容室,表涂层完好、无锈蚀,内部零部件完整无损,无影响使用和计量性能的缺陷。
2024-08-23 科威